欢迎,请 登录 注册
控制面板

跳转到 卷首 末尾

单选 多选 判断 
(模拟卷)
我要交卷
IVE国际高新资格认证-电子电路基础设计初级(1门)试卷 收藏  
正在加载试卷中..请等待加载完毕才能答题..网页加载中.. 总分:100分  答题时间:60分钟 开卷日期:2025/10/9 2:01:17

电子电路基础设计
1:单选(2.5分) 将以下与或表达式变换成与非-与非表达式,正确的结果是(   )。
      0zQJ&BU/`FXfo
      \jDfim1$H$hz3
      CKRp(/IVv\
      :WpZ9cJ7h@7
   做标记看答案  收藏                            www.kaoaa.com技术支持

2:单选(2.5分) 欲使JK触发器按Qn+1=Qn工作,可使JK触发器的输入端为(   )。
      K66iySdvZUyS/G[
      \&PXMBGZI
      vEBN6'/)swh?
      `?h[XiuO;:EuyI5
   做标记看答案  收藏                            www.kaoaa.com技术支持

3:单选(2.5分) 用CMOS或非门构成的微分型单稳态触发器如下图所示,输出脉冲宽度Tw为(  )。
      57Z;8=7CL;N2U
      5.[wC=REzpU1=D(
      B9U8=/'Y
      TvbPzI2^:`Kq[
   做标记看答案  收藏                            www.kaoaa.com技术支持

4:单选(2.5分) 用两片74LS138的8位输出通过级联实现4/16线译码的16位输出时,低位芯片的应接至(   )。
      ]_77#@XEqku7/&\
      oOQ%O/=)_
      OjX#^O5Hw6NN
      *dGYlGsrtQbC2
   做标记看答案  收藏                            www.kaoaa.com技术支持

5:单选(2.5分) 欲使JK触发器按=工作,M可使JK触发器的输入端为(   )。,
      W^:8Mr4f.Rk
      w:5wHSVIDfuSgW
      R,&:aKWvn
      c%?D*:xX/,
   做标记看答案  收藏                            www.kaoaa.com技术支持

6:单选(2.5分) 二进制数(0.1101)2转换为等值的十进制数为(   )。
      FmwJy+Q*?O8DEe
      R=#qLKysjL*
      eg%?N8nB(c'
      =AVU\a@yaxQj
   做标记看答案  收藏                            www.kaoaa.com技术支持

7:单选(2.5分) 用4选1数据选择器实现逻辑函数,数据输入端的接法是(   )。
      ^K+E?kB
      =6I'n5gA2g^
      xstVvQg4kz?#FNA[Y
      NueQL$f'OF
   做标记看答案  收藏                            www.kaoaa.com技术支持

8:单选(2.5分) 用555定时器组成的触摸式控制开关的电路如下图所示。当用手触摸按钮时,灯能亮的时间为(   )。
      r#us=+(T
      fSqLjcXd'/;@_6?
      s^kfdV-x'-HXa`8dg
      Syqcsv&?
   做标记看答案  收藏                            www.kaoaa.com技术支持

9:单选(2.5分) 空间电荷区是由( )构成的。
      ]_77#@XEqku7/&\
      oOQ%O/=)_
      OjX#^O5Hw6NN
      *dGYlGsrtQbC2
   做标记看答案  收藏                            www.kaoaa.com技术支持

10:单选(2.5分) 各电路中,(   )可以产生脉冲定时。
      ,N-T7Ei\m0$
      -/l3eDzG=CE=`@9aV
      L3'V(%p=Ug'i
      [lSxbB%
   做标记看答案  收藏                            www.kaoaa.com技术支持

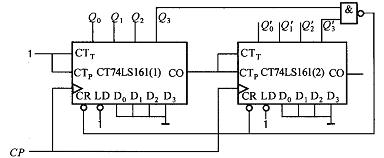
11:单选(2.5分) 如下图所示,利用两片集成计数器74LS161级联后的计数器为(  )进制的计数器。
      XS,b^E[/VA
      fJr1tdse
      E)+=]Xg`@+
      H`[a:),jbQ
   做标记看答案  收藏                            www.kaoaa.com技术支持

12:单选(2.5分) 为使采样输出信号不失真地代表输入模拟信号,采样频率fs和输入模拟信号的最高频率fimax的关系是(   )。
      ViGg;GeF]
      '.o57vUhR*;]?g
      3Dv$w?\[)9;_F-CWH
      ^T*a4k'fA[*K*2
   做标记看答案  收藏                            www.kaoaa.com技术支持

13:单选(2.5分) PN结的最大特点是( )。
      r#us=+(T
      fSqLjcXd'/;@_6?
      s^kfdV-x'-HXa`8dg
      Syqcsv&?
   做标记看答案  收藏                            www.kaoaa.com技术支持

14:单选(2.5分) 8位移位寄存器,串行输入时经(  )个脉冲后,8位数码全部移入寄存器中。
      ]_77#@XEqku7/&\
      oOQ%O/=)_
      OjX#^O5Hw6NN
      *dGYlGsrtQbC2
   做标记看答案  收藏                            www.kaoaa.com技术支持

15:单选(2.5分) 制译码器充当组合逻辑函数发生器时,若译码器输出低电平有效,需用(   )和译码器配合。
      ,N-T7Ei\m0$
      -/l3eDzG=CE=`@9aV
      L3'V(%p=Ug'i
      [lSxbB%
   做标记看答案  收藏                            www.kaoaa.com技术支持

16:单选(2.5分) 用555定时器组成的电子门铃如下图所示。当按下按钮开关S时,电子门铃以1 kHz的频率响10s,555(1)是(   )电路。
      m.JCb?e5,Vp=j
      gqARPC+y@ayq-
      Ny9\Q\2@Bg=g
      TSM[=+h1Y[py2=
   做标记看答案  收藏                            www.kaoaa.com技术支持

17:单选(2.5分) 由CMOS与非门及反相器构成的微分型单稳态触发器如下图所示,其输出脉宽Two 为(  )。
      t-9/@6?4j*(2Gr
      5O:7zIq;
      YLL?uQOirQ)
      S^Z1+XAh1kcd62B
   做标记看答案  收藏                            www.kaoaa.com技术支持

18:单选(2.5分) 函数F的卡诺图如下图所示,则其表达式可写为(   )。
      #s+;2/L4Sh
      d;i-srfov:R3:^
      N*8wG\o
      G+I4ic
   做标记看答案  收藏                            www.kaoaa.com技术支持

19:单选(2.5分) 以下表达式中符合逻辑运算法则的是(    )。
      79x2EGh$:
      =N)#WBJ9
      ++p^R'F05*Ht
      9+\I^ECd^pcGUYD0Z
   做标记看答案  收藏                            www.kaoaa.com技术支持

20:单选(2.5分) 等于(36.7)10的8421BCD编码是(   )。
      U=2V`)^sS:2J)Tr
      +6%5ATwgd;;_\
      H):yq6K`)q+1gbz
      U44:k)yt)o9Ii4s^Z
   做标记看答案  收藏                            www.kaoaa.com技术支持


21:多选(3分) PN结中扩散电流的方向是( ),漂移电流的方向是( )。
      qFbFme=+v8`K=0J-
      RM]R@Xvk4%
      .bH+/Pc:WQoY
      wG`EC3`a`Rj
   做标记看答案  收藏                            www.kaoaa.com技术支持

22:多选(3分) 半导体中的少数载流子是( ),N型半导体中的少数载流子是( )。
      qZn9Q:RawlL7
      mj@50ijYYW
      vfyfm5Ov9?IZ&i`nS
      m&L'l?
   做标记看答案  收藏                            www.kaoaa.com技术支持

23:多选(3分) 逻辑变量的取值1和0可以表示(   )。
      #/7-n\
      Xke^HS?&K=`.[WL-'
      N*8wG\o
      G+I4ic
   做标记看答案  收藏                            www.kaoaa.com技术支持

24:多选(3分) TTL电路在正逻辑系统中,以下各种输入(   )相当于输入逻辑“1”。
      79x2EGh$:
      =N)#WBJ9
      ++p^R'F05*Ht
      9+\I^ECd^pcGUYD0Z
   做标记看答案  收藏                            www.kaoaa.com技术支持

25:多选(3分) 下列集成计数器中属于十进制计数器的有(  )。
      U=2V`)^sS:2J)Tr
      +6%5ATwgd;;_\
      H):yq6K`)q+1gbz
      U44:k)yt)o9Ii4s^Z
   做标记看答案  收藏                            www.kaoaa.com技术支持

26:多选(3分) 金属导体中的载流子是( );半导体中的载流子是( )。
      qFbFme=+v8`K=0J-
      RM]R@Xvk4%
      .bH+/Pc:WQoY
      wG`EC3`a`Rj
   做标记看答案  收藏                            www.kaoaa.com技术支持

27:多选(3分) 在杂质半导体中,少数载流子的浓度与( )有很大关系,而多数载流子的浓度则主要取决于( )。
      qZn9Q:RawlL7
      mj@50ijYYW
      vfyfm5Ov9?IZ&i`nS
      m&L'l?
   做标记看答案  收藏                            www.kaoaa.com技术支持

28:多选(3分) 常用的代数化简方法有(    )。
      #/7-n\
      Xke^HS?&K=`.[WL-'
      N*8wG\o
      G+I4ic
   做标记看答案  收藏                            www.kaoaa.com技术支持

29:多选(3分) 在本征半导体中掺入微量的( )价元素,形成P型半导体;掺入微量的( )价元素,形成N型半导体。
      79x2EGh$:
      =N)#WBJ9
      ++p^R'F05*Ht
      9+\I^ECd^pcGUYD0Z
   做标记看答案  收藏                            www.kaoaa.com技术支持

30:多选(3分) 下列各式中属于反演律(摩根定律)的公式是(  )。
      U=2V`)^sS:2J)Tr
      +6%5ATwgd;;_\
      H):yq6K`)q+1gbz
      U44:k)yt)o9Ii4s^Z
   做标记看答案  收藏                            www.kaoaa.com技术支持


31:判断(2分) 在P型半导体中,掺入高浓度的五价杂质可以改型为N型半导体。
      qFbFme=+v8`K=0J-
      RM]R@Xvk4%
   做标记看答案  收藏                            www.kaoaa.com技术支持

32:判断(2分) 结可以看作一个电容,空间电荷区相当于介质,P区和N区则为导体。
      .bH+/Pc:WQoY
      wG`EC3`a`Rj
   做标记看答案  收藏                            www.kaoaa.com技术支持

33:判断(2分) 逻辑电平0和1不表示具体的数量而是一种逻辑值。(   )
      qZn9Q:RawlL7
      mj@50ijYYW
   做标记看答案  收藏                            www.kaoaa.com技术支持

34:判断(2分) 触发器次态与R、S及现态之间关系的逻辑表达式称为触发器的特性方程。(   )
      vfyfm5Ov9?IZ&i`nS
      m&L'l?
   做标记看答案  收藏                            www.kaoaa.com技术支持

35:判断(2分) 因为A+AB=A,故若两边同时减A,可得出AB=0。(   )
      #/7-n\
      Xke^HS?&K=`.[WL-'
   做标记看答案  收藏                            www.kaoaa.com技术支持

36:判断(2分) 用2片容量为16K×8的RAM构成容量为32K×8的RAM是位扩展。(   )
      N*8wG\o
      G+I4ic
   做标记看答案  收藏                            www.kaoaa.com技术支持

37:判断(2分) 集成移位寄存器74LS175在CP=1期间具有数据保持功能。(  )
      79x2EGh$:
      =N)#WBJ9
   做标记看答案  收藏                            www.kaoaa.com技术支持

38:判断(2分) 凡是卡诺图中存在相切而不相链(相交)的包围圈(方格群)的逻辑函数都存在着竞争-冒险现象。(  )
      ++p^R'F05*Ht
      9+\I^ECd^pcGUYD0Z
   做标记看答案  收藏                            www.kaoaa.com技术支持

39:判断(2分) 在达到动态平衡的PN结内,漂移运动和扩散运动都不再进行。
      U=2V`)^sS:2J)Tr
      +6%5ATwgd;;_\
   做标记看答案  收藏                            www.kaoaa.com技术支持

40:判断(2分) 制数9比十六进制数9小。(   )
      H):yq6K`)q+1gbz
      U44:k)yt)o9Ii4s^Z
   做标记看答案  收藏                            www.kaoaa.com技术支持

 

→立即交卷